
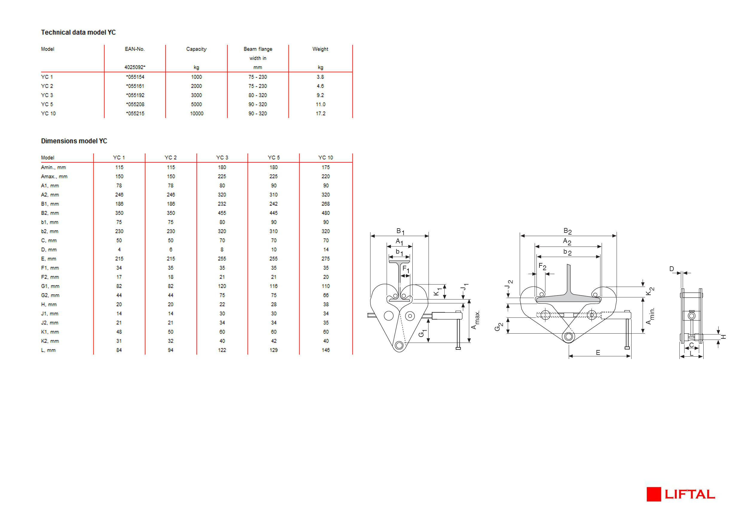
Beam clamp model YC
Capacity 1000 - 10000 kg
Provides a quick and versatile rigging point.
Optional
- Can be supplied with shackle.
- Special design with flattened, reinforced jaws.
Merk: Yale
Documentatie:
ya_014.jpg - download
Gerelateerde producten:
-
CORSO balkklemmenTractel
-
Kabelklem Type G-6240Green Pin
-
Kabelklem Type E-6260Green Pin
-
Kabelklem Type E-6220Green Pin
-
Verticaal transporteren van platen: Universeel IPU10Inter Product
-
Verticaal transporteren van platen: standaard model IP10Inter Product
-
Horizontaal transporteren van platen: IPPEInter Product
-
Verticaal transporteren van platen: IP(U)10/SInter Product
-
Verticaal transporteren van platen: IP(U)10/HInter Product